技术支持

WMCL系列气缸

  • 成品订购码
  • 符号
  • 产品特性
  • 规格
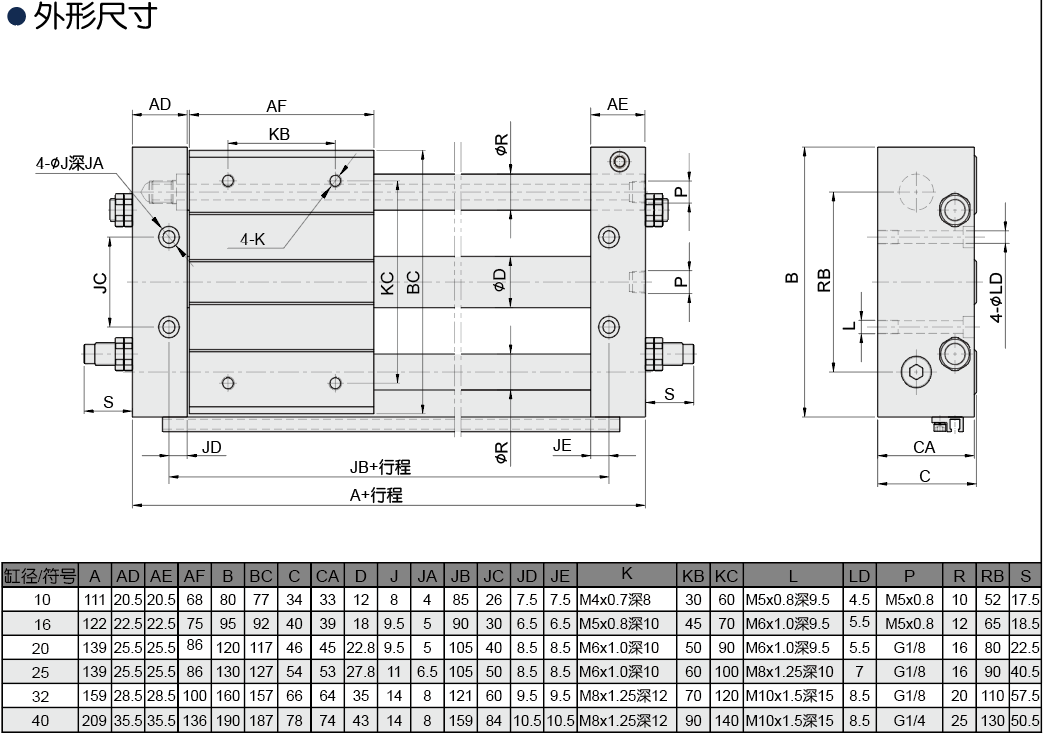
  • 外形尺寸

    6424d58d60087.png

    6424d5bd2df12.png

    1. 磁耦合式无杆气缸,活塞与滑块之间无机械连接,密封性能优异;

    2. 活塞的动作通过磁耦合力传达到外部滑块,无需活塞杆,安装空

        间比普通气缸少,最大行程比普通气缸大;

    3. 气缸两端带有固定缓冲装置,换向动作平稳无冲击,同时避免机

        械损伤。可选择外置油压缓冲器,缓冲效果更佳;

    4. 活塞腔与滑块隔开,防止灰尘与污物进入系统,延长气缸的使用

        寿命。


    6424d620bef94.png

    6424d66f73329.png